IGNITORの取り付け・GM車DELCOデスビ

30.jpg (7862 bytes)

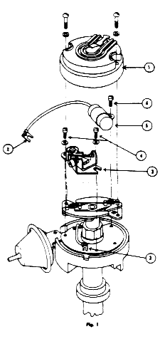
Ignitorの主要パーツ・モジュール本体(左)とマグネットリング(右)、他に隙間用シム、ワッシャー、ナットなど取付けに必用な部品が含まれています。





Ignitor取付けの際にデスビをエンジンから取り外して行った方が作業が容易です。取り外し前にデスビローターが向いている向きを正確に記録しておき、再度組み付けた際にまったく同じ方向になる必用があります。基本手順としてはエンジンのクランクプーリーがTDCマーク(圧縮上死点目印)を指し、且つローターが一番プラグコードの電極に向かい合った位置の状態でデスビを取り外せばデスビを戻す時に容易に行えます。



ptrnx-1gif.gif (7836 bytes)

.



32.jpg (6590 bytes)

ローター、ポイント、コンデンサーを外します。













wpe1.jpg (3200 bytes)

殆どのGMエンジンの場合、(オールズモビルの場合は文末を参照)デスビのシャフトはドライブギアによって上方向に押される傾向にあります。ドライブギアと デスビハウジングの下端の間は若干の遊びがあるのが普通ですが、ここに数ミリ単位以上のガタが出ているような場合には、ドライブギアを外して添付の隙間シムを挿入する必用があります。







ptrnx-3.gif (5691 bytes)

24.jpg (5994 bytes)

図のようにマグネットリングを遠心進角装置に通し、進角装置の下側にネジ止めします。次にIgnitorモジュールをネジ止めし、ポイントの配線が通っていた穴からIgnitorの赤・黒の配線を取り出します。Ignitorの配線が内部の回転物や外部のバキューム進角装置など動きのある部品に接触しないようご注意下さい。



wpe2.jpg (7469 bytes)

25.jpg (7873 bytes)

Ignitorモジュール上端とマグネットリングとの隙間は、添付の隙間ゲージ(透明の薄プラ板)の厚みになるのがベストです。隙間が大きい場合にはマグネットリングと遠心進角装置の間に隙間シムを挟んで調整します。



26.jpg (9271 bytes)

デスビローターを組み付け、デスビをエンジンに取付けます。 これで取付け完了です。











*オールズモビルへの取付けに際して
オールズモビルのV8エンジンの場合、デスビシャフトはエンジン内部で下側に引っ張られるので、上記のようなエンドギアの隙間調整は不要です。エンジンにデスビを取付けてから、Ignitorモジュールとマグネットリングの隙間を行って下さい。

配線図はこちら

トップページへ戻る